You are viewing this site in staging mode. Click in this bar to return to normal site.
x#{notify_img}
#{notify_title}
#{notify_text}

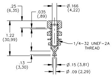
Pomona 2854 Gold Plated Banana Socket

2854
Pomona
£41.25Pack10
(ex. VAT)
0 - 4 £41.25 0
5 - 9 £39.20 0
10 - 24 £37.15 0
25+ £33.85 0
1 In Stock.
  • Description
  • Delivery & Returns
  • Reviews